Hettich 165° hidastesarana

7,90 

Toimitusaika: 2–8 työpäivää

Tuotetunnus (SKU): 9099563 Osasto:

Laadukas 165-astetta aukeava hidastesarana.

Saatavana mallit:

– Clipfix pikakiinnitys oveen (9099563)

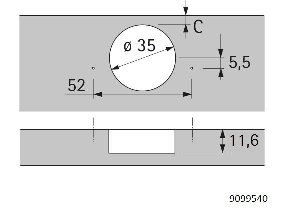
– ruuvikiinnitteinen (9099540)

HUOM! tarkista tuotekuvista porausmitoitukset oviin

 

Sarana siirtää auetessaan oven pois rungon edestä, jolloin saranaa voi käyttää sisälaatikoiden kanssa.

Sisältää säädettävän vakio- tai saneerausaluslevyn

 

HUOM! Kuvassa näkyvä sarana varren peitelevy myydään erikseen.

Paino 0,25 kg (kilogramma)
Malli

,